
Alimentation de la voie • Le train de Jules

Alimentation de la voie • Le train de Jules
Alimentation PWM pour train électrique (Partie 2/2) - CC7107_76 Modélisme Ferroviaire

Alim voie réglable

Alimentation et câblage d’un réseau de train miniature

Alimentation de la voie • Le train de Jules

Alimentation de la voie • Le train de Jules
Cablage alimentation/rails - Magazine Rail Miniature Flash : le Forum

Alimentation en analogique

Alimentation en analogique
Câblage 1° partie :règles de base - Technique train miniature HO

Alimentation et câblage d’un réseau de train miniature

Alim voie réglable

Alim voie réglable
Cablage alimentation/rails - Magazine Rail Miniature Flash : le Forum

LOCODUINO - L’Arduino au coeur des systèmes de pilotage analogiques ou numériques

Alimentation de la voie • Le train de Jules

A.M.F.N: alimentations traction

Electricité TCO - Train miniature : la gare de Derneville en HO (1/87) | Maquette de train, Train miniature, Design de trains miniatures

Le site de RAIL91: Réaliser une alimentation continue simple
câblage des appareils de voie (bifurcation - bretelle) suite - biscatrain

Articles de Franzitrains62 taggés “variateur” - Franzitrains - Modélisme ferroviaire et trains… - Skyrock.com

Câblage 3° partie : DCC et cantonement - Technique train miniature HO

Alimentation de la voie • Le train de Jules

Alimentation et câblage d’un réseau de train miniature

A.M.F.N: Alimentations tractions à commande numérique

UTS Divers et Jouefmatic"

Fiche pratique n°5: alimentation et sections d’arrêt – Le monde ferroviaire de Christophe

Articles de Franzitrains62 taggés “variateur” - Franzitrains - Modélisme ferroviaire et trains… - Skyrock.com
recherche plan regulateur vu dans RMF dans les années 1990 - Magazine Rail Miniature Flash : le Forum

Câblage 3° partie : DCC et cantonement - Technique train miniature HO

MECCANO ELECTRONIQUE (alim025)

Condensateur et éclairage d’un train miniature : bac S Nlle Calédonie 2010

Trains - Présentation de mon petit réseau HO (avec bb22200) - YouTube

Fiche pratique n°7: le bloc – Le monde ferroviaire de Christophe
Câblage 1° partie :règles de base - Technique train miniature HO
![]()
Système d’électrification ferroviaire — Wikipédia

LOCODUINO - L’Arduino au coeur des systèmes de pilotage analogiques ou numériques

HO Boucle de retournement Ac

Alimentation et câblage d’un réseau de train miniature
Montage des voies

A.M.F.N: alimentations traction

aiguillage train miniature - Le modelisme pour grands et petits

Mon réseau - Transfo et régulateur de vitesse pour train électrique analogique (1) - Franzitrains - Modélisme ferroviaire et trains…
Câblage 1° partie :règles de base - Technique train miniature HO

Le NUMERIQUE pour les trains miniatures (Digital Command Control) - Le p’tit train de Jicé

Forum Train • Afficher le sujet - Je vais avoir un court circuit !

Alimentation PWM pour moteurs de locomotives. - Modélisme ferroviaire

Alimentation PWM pour moteurs de locomotives. - Modélisme ferroviaire

Câblage 6° partie : Boucle de retournement - Technique train miniature HO

TUTORIEL RÉSEAU HO #16 - CÂBLAGE VOIE ET MOTEURS - YouTube

Guide Modélisme ferroviaire : Tout sur le digital | Le Train Miniature

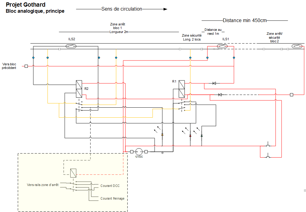
ESPACEMENT AUTOMATIQUE DES TRAINS

Alimentation de la voie • Le train de Jules
gestion des cantons en mode digital - biscatrain

Fiche pratique n°5: alimentation et sections d’arrêt – Le monde ferroviaire de Christophe

Plans de réseaux de train à l’échelle HO

A.M.F.N: Alimentations tractions à commande numérique

Alimentation PWM pour train Version 3 - CC7107_76 Modélisme Ferroviaire
Câblage 1° partie :règles de base - Technique train miniature HO

Transformer une Alimentation PC en Alim de Laboratoire - Vlog Bricolage #8 - YouTube

Plans de réseaux de train à l’échelle HO

Comment un train est-il alimenté?

Alimentation de la voie • Le train de Jules

Alimentation en numerique

Le schéma électrique des circuits spécialisés: la prise 20A -

circuit de train électrique | Table de train, Train electrique, Design de trains miniatures
DOCUMENT PÉDAGOGIQUE
![]()
Train de jardin — Wikipédia

Articles de Franzitrains62 taggés “variateur” - Franzitrains - Modélisme ferroviaire et trains… - Skyrock.com

Câblage 3° partie : DCC et cantonement - Technique train miniature HO

plusieurs circuits analogique - Technique - Forum 3Rails

A.M.F.N: alimentations traction

Le dépôt
DOCUMENT PÉDAGOGIQUE

Fiche pratique n°7: le bloc – Le monde ferroviaire de Christophe

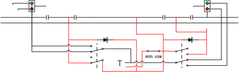
automatismes en gare souterraine (correctif) - biscatrain

aiguillage train miniature - Le modelisme pour grands et petits

Alimentation de la voie • Le train de Jules
![Analogique] Alimentation électrique pour locomotive Märklin](https://i2.wp.com/forums.futura-sciences.com/attachments/electronique/382420d1549104644-alimentation-electrique-locomotive-maerklin-motrice-maerklin-alternatif.png )
Analogique] Alimentation électrique pour locomotive Märklin

I.4.6 - Comment fonctionne la locomotive à vapeur (bilan) ? | Le site de la Fondation La main à la pâte
une télécommande manuelle en analogique - biscatrain

La production d’air

EB_#146 Modification d’une Alimentation de PC en Alimentation Variable, Partie 1 - YouTube

Alimentation des rails - Problème • Le train de Jules

site des trains | Trains, Train electrique, Goulotte

Alimentation de la voie • Le train de Jules

LOCODUINO - Une station DCC complète, polyvalente et économique avec JMRI.

Le site de RAIL91: Réaliser une alimentation continue simple

Éclairer un wagon avec une bande à LED pour 1€

LOCODUINO - Commande de moteur à courant continu

Plan de reseaux trains miniatures electriques N HO - www.lestrainsdedaliplumes.com

Schéma prise électrique | Schéma de câblage électrique, Schéma électrique, Installation tableau electrique

plusieurs circuits analogique - Technique - Forum 3Rails

Le point de vue de Stéphane Marie sur le Smart grid ferroviaire | Smart Grids - Le site édité par la CRE
Question sur Jouef Matic - Magazine Rail Miniature Flash : le Forum

A.M.F.N: alimentations traction

plusieurs circuits analogique - Technique - Forum 3Rails

aiguillage train miniature - Le modelisme pour grands et petits

automatismes en gare souterraine (correctif) - biscatrain